Foaie de date pentru MAX USA CORP. TA116A/22-9

Model 2024-2026 Europe DE,EN,FR,IT,ES

Această foaie de date (PDF) va fi trimisă în Inbox-ul tău după ce ne vei furniza adresa ta de e-mail.

  • Foaie de date originală de la producător
  • Mai multe informații
  • Specificații detaliate

*Termeni și condiții

Se aplică politica de confidențialitate a LECTURA GmbH care conține, de asemenea, informații suplimentare legate de posibilitățile de corectare, ștergere și blocare a datelor mele.

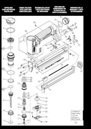
Cuie și capsatoare MAX USA CORP. TA116A/22-9



Afișează specificații detaliate