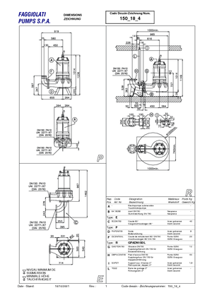
Foaie de date pentru Faggiolati G 418 R3V3-S100AA2

Model 1998-2026 Europe DE

Această foaie de date (PDF) va fi trimisă în Inbox-ul tău după ce ne vei furniza adresa ta de e-mail.

  • Foaie de date originală de la producător
  • Mai multe informații
  • Specificații detaliate

*Termeni și condiții

Se aplică politica de confidențialitate a LECTURA GmbH care conține, de asemenea, informații suplimentare legate de posibilitățile de corectare, ștergere și blocare a datelor mele.

Pompe de canalizare Faggiolati G 418 R3V3-S100AA2



Afișează specificații detaliate